Cargando detalles del producto...
Descripción
El acabado perforado en chapas grecas y onduladas se ha convertido en una opción cada vez más utilizada en el sector de la construcción y la arquitectura debido a su combinación de estética, funcionalidad y versatilidad. Este tipo de chapa conserva las ventajas de la chapa ciega, como su ligereza y facilidad de instalación, pero añade propiedades acústicas y la posibilidad de permitir el paso de la luz natural, lo que la hace ideal para proyectos modernos y sostenibles.
Las chapas perforadas se aplican en múltiples usos: desde zonas de ventilación para sistemas de aire acondicionado, donde se busca mantener una apariencia estética, hasta fachadas con ventanas que permiten la entrada de luz natural, reduciendo a la vez la incidencia directa del sol. También son muy empleadas en mobiliario urbano, paneles de separación, cercados, barandillas y como elemento decorativo tanto en interiores como en exteriores.
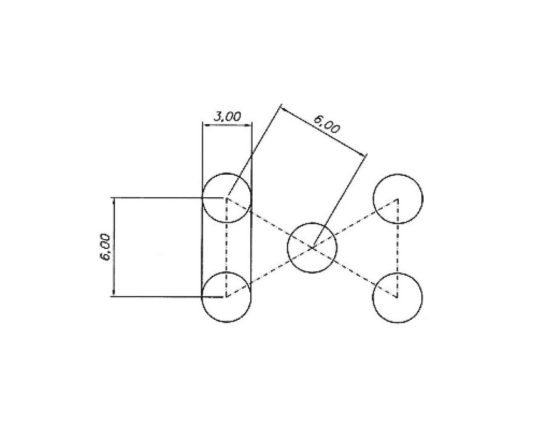
En Ironlux, ofrecemos la posibilidad de fabricar chapas perforadas en distintos modelos y acabados. Los tipos más comunes y recomendados para pequeñas cantidades son el R3T6 y el R5T8, con acabado galvanizado. En estas denominaciones, la “R” corresponde al diámetro del orificio y la “T” a la distancia entre los centros de los agujeros. Además, producimos acabados especiales como blanco pirineo o silver metalic, adaptándonos a las necesidades estéticas y técnicas de cada proyecto.
Las chapas perforadas se aplican en múltiples usos: desde zonas de ventilación para sistemas de aire acondicionado, donde se busca mantener una apariencia estética, hasta fachadas con ventanas que permiten la entrada de luz natural, reduciendo a la vez la incidencia directa del sol. También son muy empleadas en mobiliario urbano, paneles de separación, cercados, barandillas y como elemento decorativo tanto en interiores como en exteriores.
En Ironlux, ofrecemos la posibilidad de fabricar chapas perforadas en distintos modelos y acabados. Los tipos más comunes y recomendados para pequeñas cantidades son el R3T6 y el R5T8, con acabado galvanizado. En estas denominaciones, la “R” corresponde al diámetro del orificio y la “T” a la distancia entre los centros de los agujeros. Además, producimos acabados especiales como blanco pirineo o silver metalic, adaptándonos a las necesidades estéticas y técnicas de cada proyecto.
Detalles constructivos

Detalle constructivo chapa perforada
Imágenes

Imagen chapa perforada

Imagen chapa perforada
Pide presupuesto

Producto
Chapa Perforada Decorativa
¿Eres empresa o particular?
Entrega y descarga
Servicio coordinado en obra.
Presupuesto en 24/48h
Respuesta rápida por delegación.
