Cargando detalles del producto...
Descripción
Los aireadores estáticos de Ironlux representan una solución eficiente y duradera para la renovación del aire interior en edificios industriales, centros comerciales y supermercados. Fabricados en chapa de acero de alta calidad, ofrecen una excelente resistencia y pueden personalizarse con diversos recubrimientos y colores, permitiendo su integración estética con cualquier tipo de cerramiento. Son especialmente valorados en obras nuevas debido a su fácil instalación y versatilidad, ya que pueden suministrarse totalmente armados o en piezas (soporte y remates) para un montaje ágil en obra. Estos sistemas están diseñados para asegurar una ventilación sanitaria eficaz, cumpliendo con los requisitos de renovaciones de aire por hora según la actividad del espacio. Además, contribuyen al confort térmico durante los meses cálidos, ya sea mediante ventilación directa (ventilación de confort) o a través de ventilación nocturna que enfría la masa del edificio (refrescamiento convectivo). Otro beneficio clave es la reducción de problemas de humedad y condensaciones en cubiertas, lo que prolonga la vida útil de las estructuras y mejora las condiciones interiores. Gracias a su diseño robusto, funcionalidad y adaptabilidad, los aireadores estáticos de Ironlux son una elección inteligente para mejorar la calidad del aire, la eficiencia energética y el bienestar en espacios de gran tamaño y uso intensivo.
Detalles constructivos

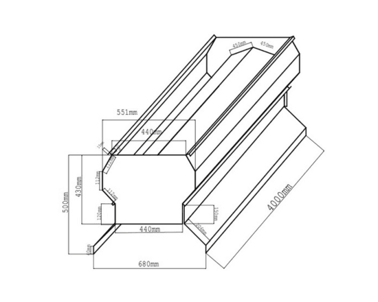
Detalle constructivo del Aireador estático

Detalle constructivo del Aireador estático

Detalle constructivo del Aireador estático

Detalle constructivo del Aireador estático
Imágenes

Imagen de Aireador estático

Pide presupuesto

Producto
Aireadores Estáticos
¿Eres empresa o particular?
Entrega y descarga
Servicio coordinado en obra.
Presupuesto en 24/48h
Respuesta rápida por delegación.
